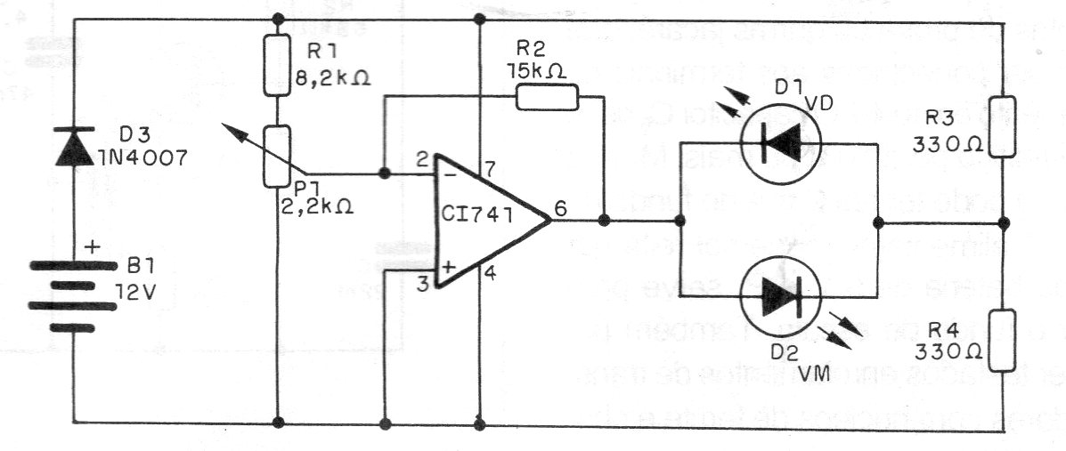
This simple indicator is for 12 batteries, just adjust the trigger point in the trimpot. The circuit uses two indicator LEDs. Comparators such as LM139, 239 or 339 can be used in place of integrated circuit 741.
This simple indicator is for 12 batteries, just adjust the trigger point in the trimpot. The circuit uses two indicator LEDs. Comparators such as LM139, 239 or 339 can be used in place of integrated circuit 741.