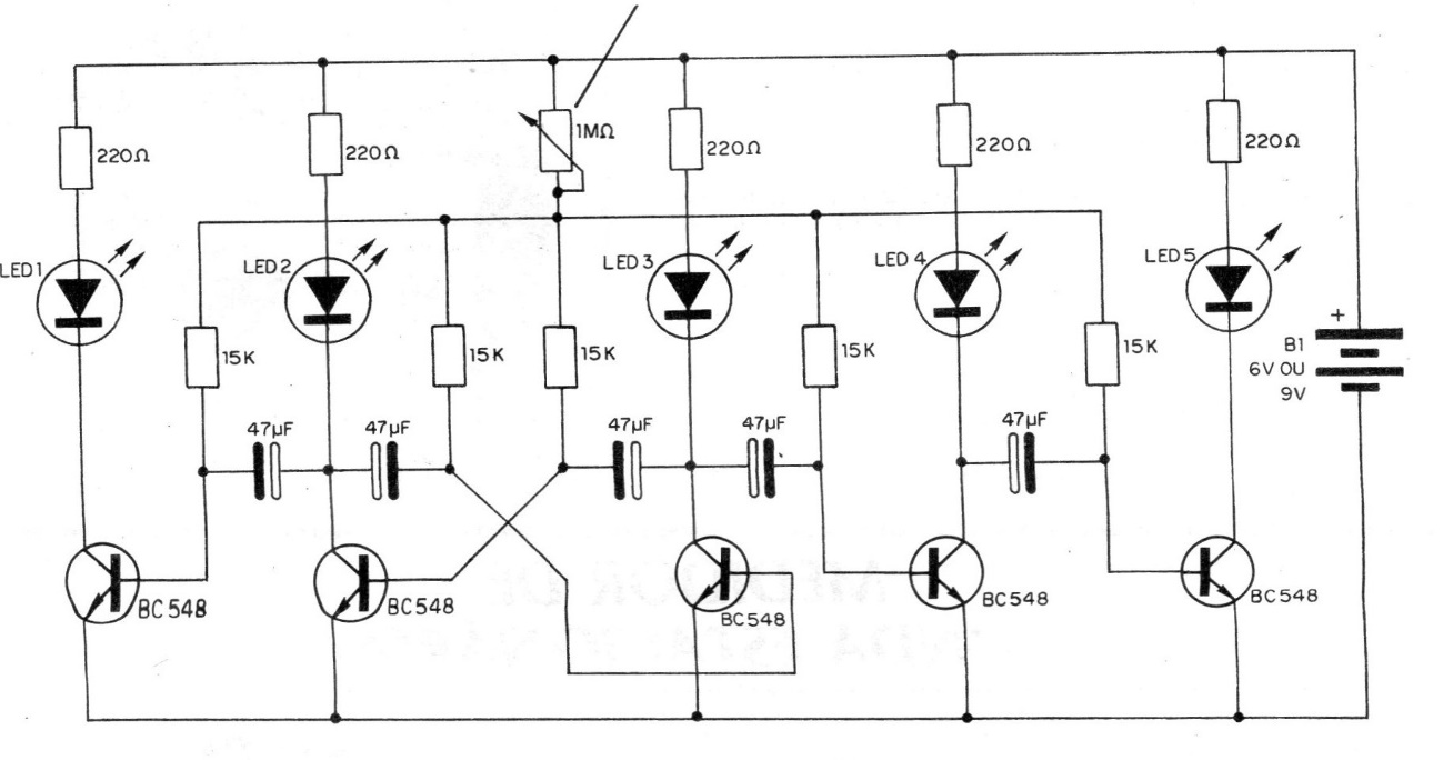
For those who like experimental circuits, here is a sequential flasher system with LEDs, which can be extended infinitely in its operation, as suggested by the author of the project found in a 1982 documentation. Bo548, supplying two LEDs at a frequency that can be as low as 0.3 Hz (one blink every 3 seconds), The frequency of the system depends, fundamentally, on the value of the capacitor and the potentiometer which then allows its adjustment. However, there is a limit to the value of the potentiometer, since with the excessive reduction of the base current of the transistors, there is also the reduction of the collector current and consequent decrease in the brightness of the LEDs. The circuit can be powered with a voltage of 9 V and can be used in decoration systems, for toys or, simply, as an experimental assembly.




