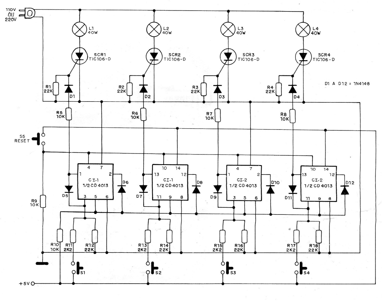
This circuit was found in an 1888 publication. However, since it uses common components, it can still be easily assembled today. In this version there are 4 competitors, and the indicator lamps are incandescent powered by the power grid. SCRs must have small heat sinks and a separate DC source for CMOS must be used. The 6 to 9 V power supply can be formed by batteries.




