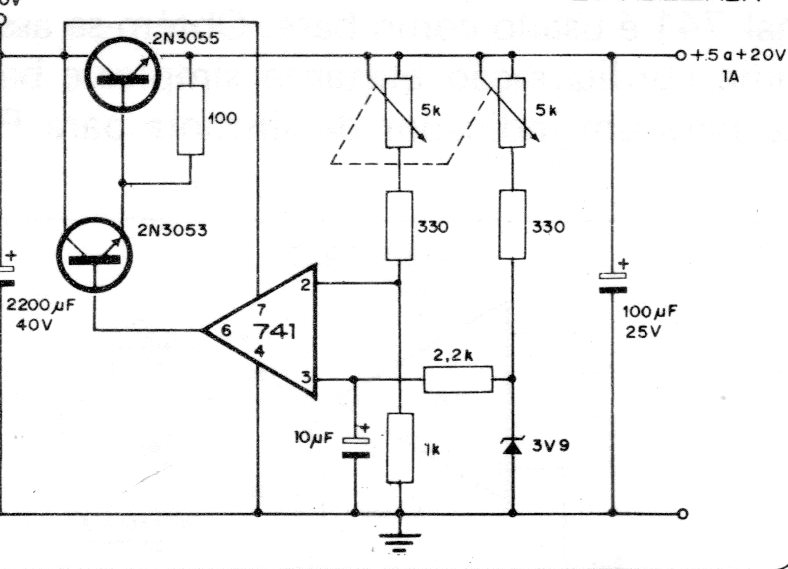
This circuit is from a 1976 documentation. It uses an operation that is still common in our market, but it can also be assembled with other, more modern ones. The power transistor must be equipped with a regulator. The circuit can supply voltages from 5 to 20 V with a maximum current of 1 A.




