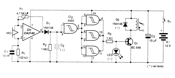
The circuit shown in the figure causes an LED to light up or a relay to close its contacts when sound is picked up by the microphone. Using a relay, we can use the circuit as a “vox”, that is, a switch that connects a recorder or other equipment according to the ambient sound. The sensitivity of the circuit is controlled by the feedback pot. The microphone used is a dynamic low impedance type (100 to 600 ohms) and the relay must have coil voltage according to the supply voltage. The capacitor C3 serves to avoid relay bouncing, filtering out small oscillations of sound which should not act on the circuit. Its value can be between 10 nF and 1 uF The microphone must be installed close to the circuit. If it is installed more than 1 meters, shielded wire must be used for its connection. Since, in the standby condition, consumption is very low, batteries or batteries can be used in the power supply. If an external source is used, its filtering must be excellent so that snoring from the power grid does not cause the circuit to randomly start.




