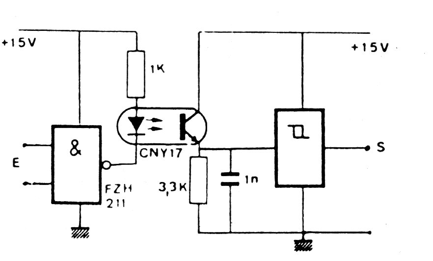
This circuit found in French documentation, works with 15 V logic, but can be modified to TTL or 5 V logic, changing the resistor in series with the LED. The circuit serves to isolate signals that must be transmitted by cable. The maximum speed depends on the logic used and equivalent couplers can be used.




