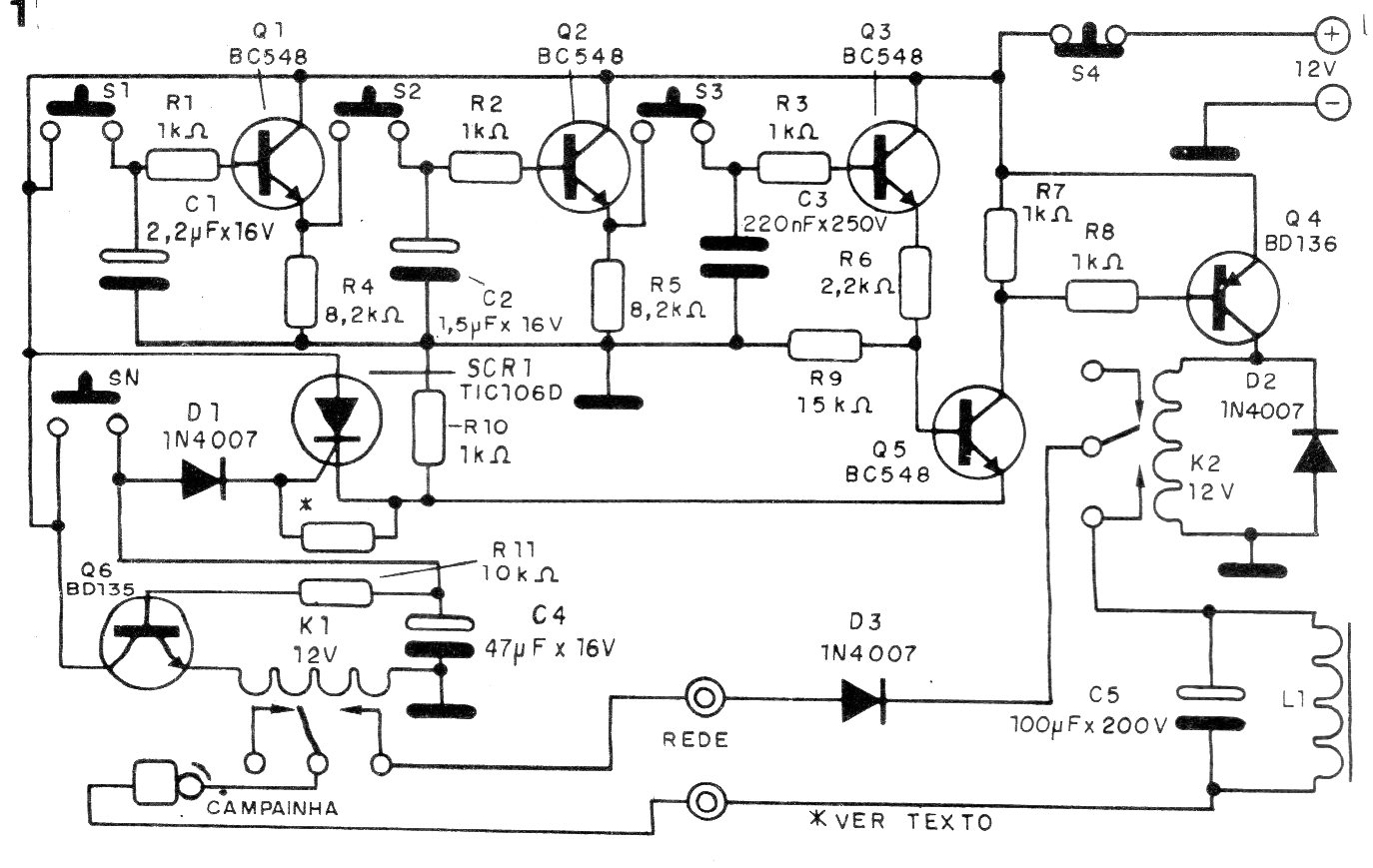
This circuit is from an old documentation, but as it only uses common transistors even today, its assembly can be done without problems. The circuit requires the right sequence of switches to be pressed to activate the relay. If a wrong switch is triggered, the circuit resets. The circuit is for 12 V which is the voltage of the relay used. L1 is the solenoid coil for mains voltage.




