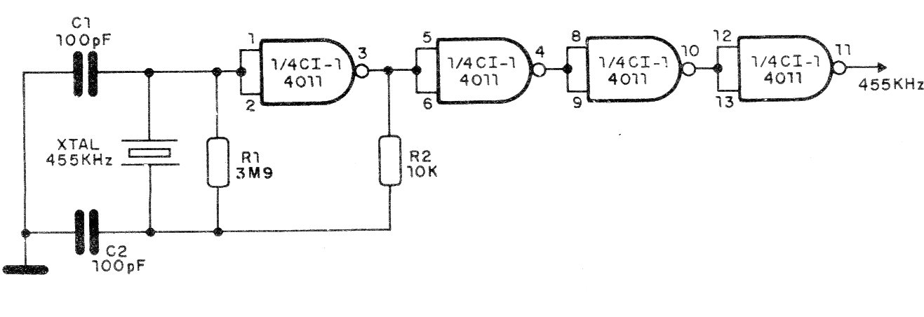
Found in a 1988 publication, this 455 kHz crystal oscillator circuit is used to calibrate AM radios. The circuit has good signal strength, and the harmonics are used to calibrate other RF circuits. The circuit can be powered by voltages from 3 to 12 V applied to pins 14 (+) and 7 (-) of the integrated circuit.




