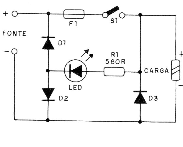
This simple circuit indicates if the polarity of a load is reversed when it is connected to a power source. The circuit also has a protection fuse, and the diodes can be 1N4002 or 1N4004 for any current since the current that circulates through them is only that of the LED.




