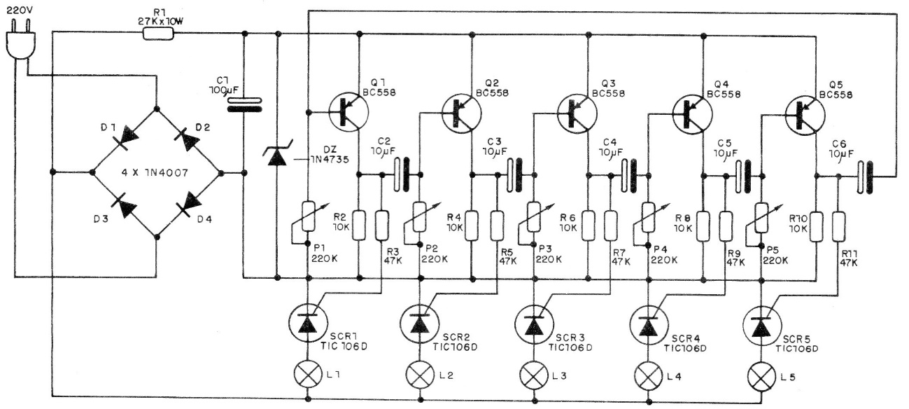
We found this circuit in a 1988 documentation, but all the components used are still common today. The circuit controls a sequence of incandescent lamps with intervals that are adjusted in the trimpots. The circuit is self-oscillating and depending on the load (lamps greater than 25 W), the SCRs must be mounted on heat sinks.




