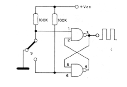
With the configuration shown in the figure, a single pulse for a counter can be obtained from a common switch without bounce. The ringing occurs when closing a switch that generates rapid variations in voltages, which can be interpreted as several pulses, thus “cheating” the counting system that will register not one, but several closing pulses. Two of the 4011 NAND gates of the 4011 are used in this configuration which can be supplied with voltages between 3 and 15 V. The circuit finds applications such as shield for microcontrollers.




