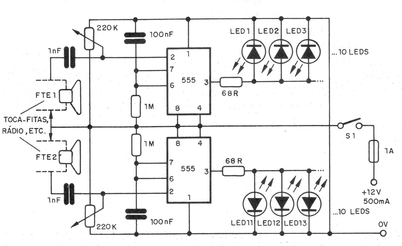
This 1990 circuit can also be used with fixed sound systems. What it does is trigger a set of LEDs with a visual effect that changes according to the music. Oscillators with integrated circuits 555 are modulated by the audio signal. The circuit is powered by the car battery or external 9 to 12 V source.




