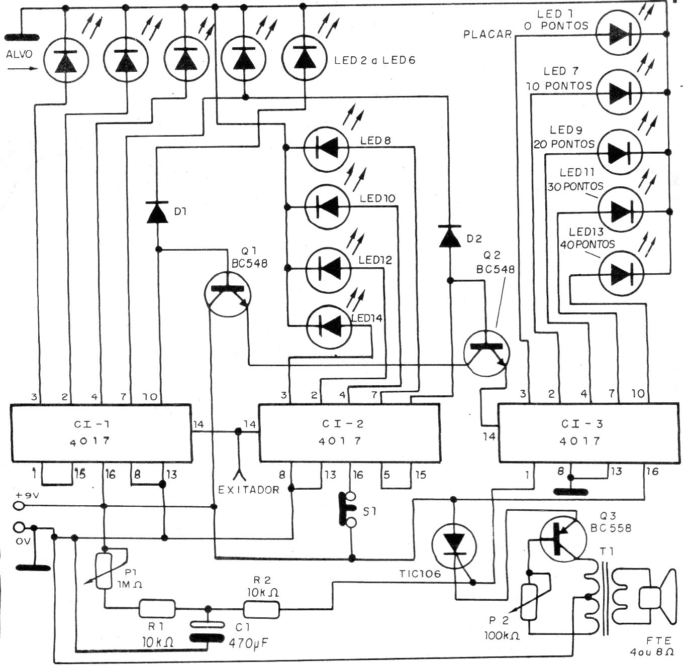
The digital target shot shown in the figures (weapon and target) was found in a 1992 documentation but can be easily assembled as all components are still common today. The circuit is powered by a voltage of 9 V and the weapon consists of a simple trigger that must be pressed at the right time.




