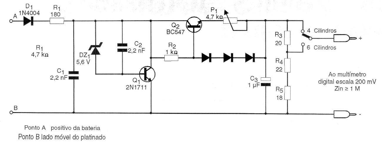
This circuit allows the use of the multimeter to measure the dwell meter, a feature used in the adjustment of old cars that still use contact breakers in the ignition system. The circuit is from 1997 documentation and is powered by the car battery itself in the process of adjustment. In it the adjustment of the output voltage from 0 to 10 V is done in the trimpot.




