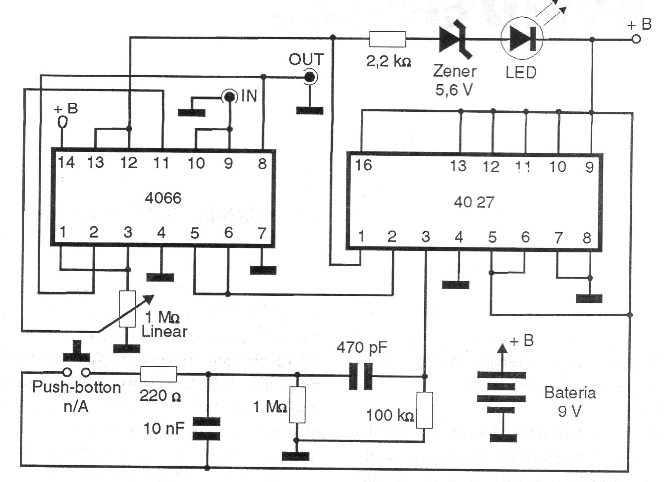
This circuit is from 1997 documentation. It uses CMOS circuits to produce the effects, being interspersed between the guitar and the amplifier. If the guitar transducer does not excite the circuit, a preamplifier must be used. The supply can be done with voltages from 6 to 12 V.




