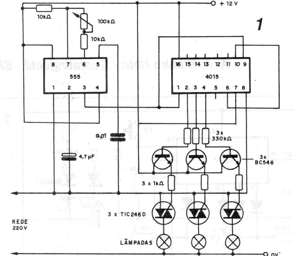
This 3-channel sequential circuit, but which can be expanded further, uses triacs to drive incandescent lamps. The circuit is from 1995 documentation. The speed of the effect is adjusted in the pot and the triacs must be mounted in heatsinks.
This 3-channel sequential circuit, but which can be expanded further, uses triacs to drive incandescent lamps. The circuit is from 1995 documentation. The speed of the effect is adjusted in the pot and the triacs must be mounted in heatsinks.