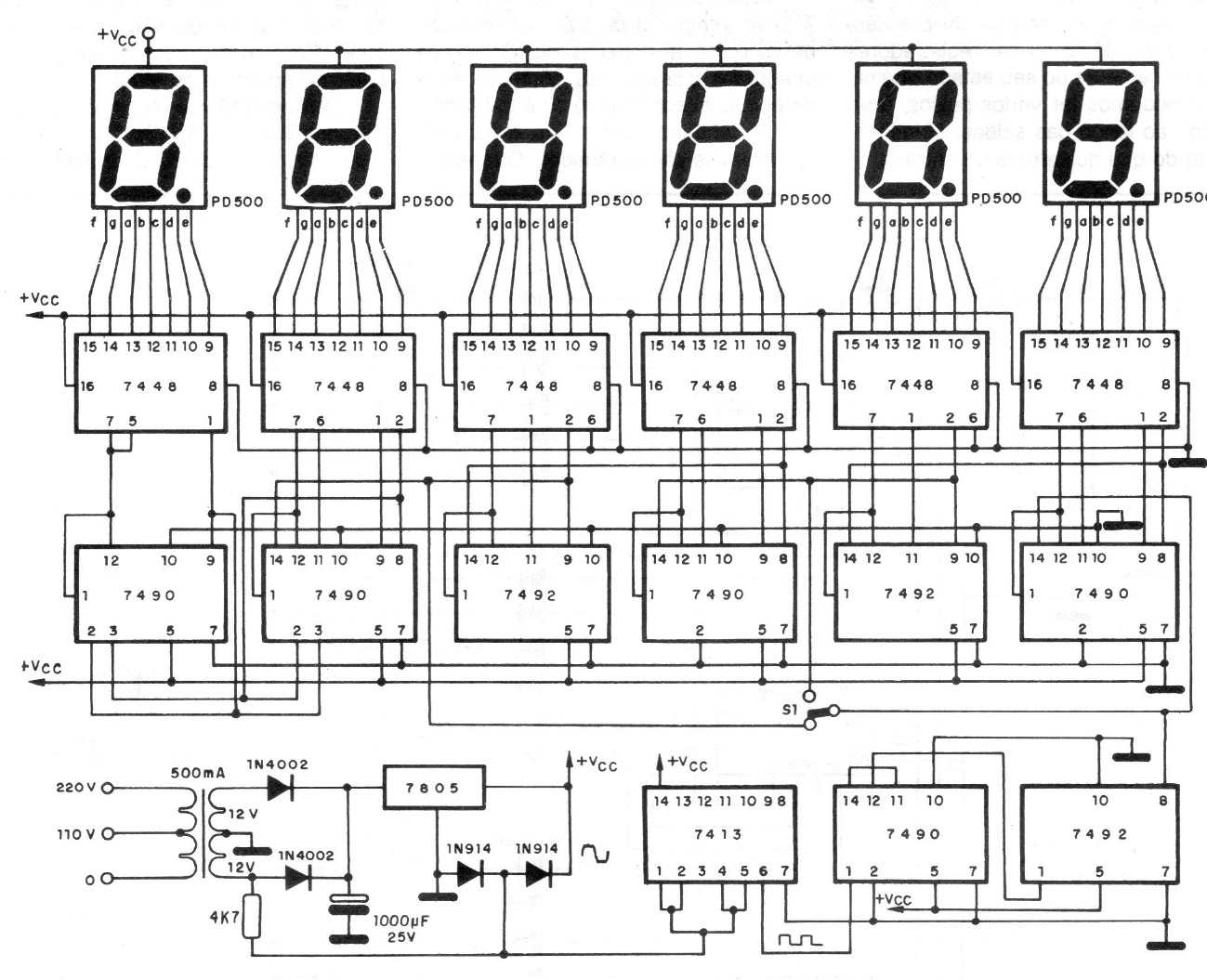
This digital watch with TTL technology has an indication of hours, minutes, and seconds. We found this circuit in a 1990 documentation. The accuracy is excellent since it is synchronized with the frequency of the power grid. The displays are common anode, and the voltage regulator integrated circuit must be equipped with a heat sink.




