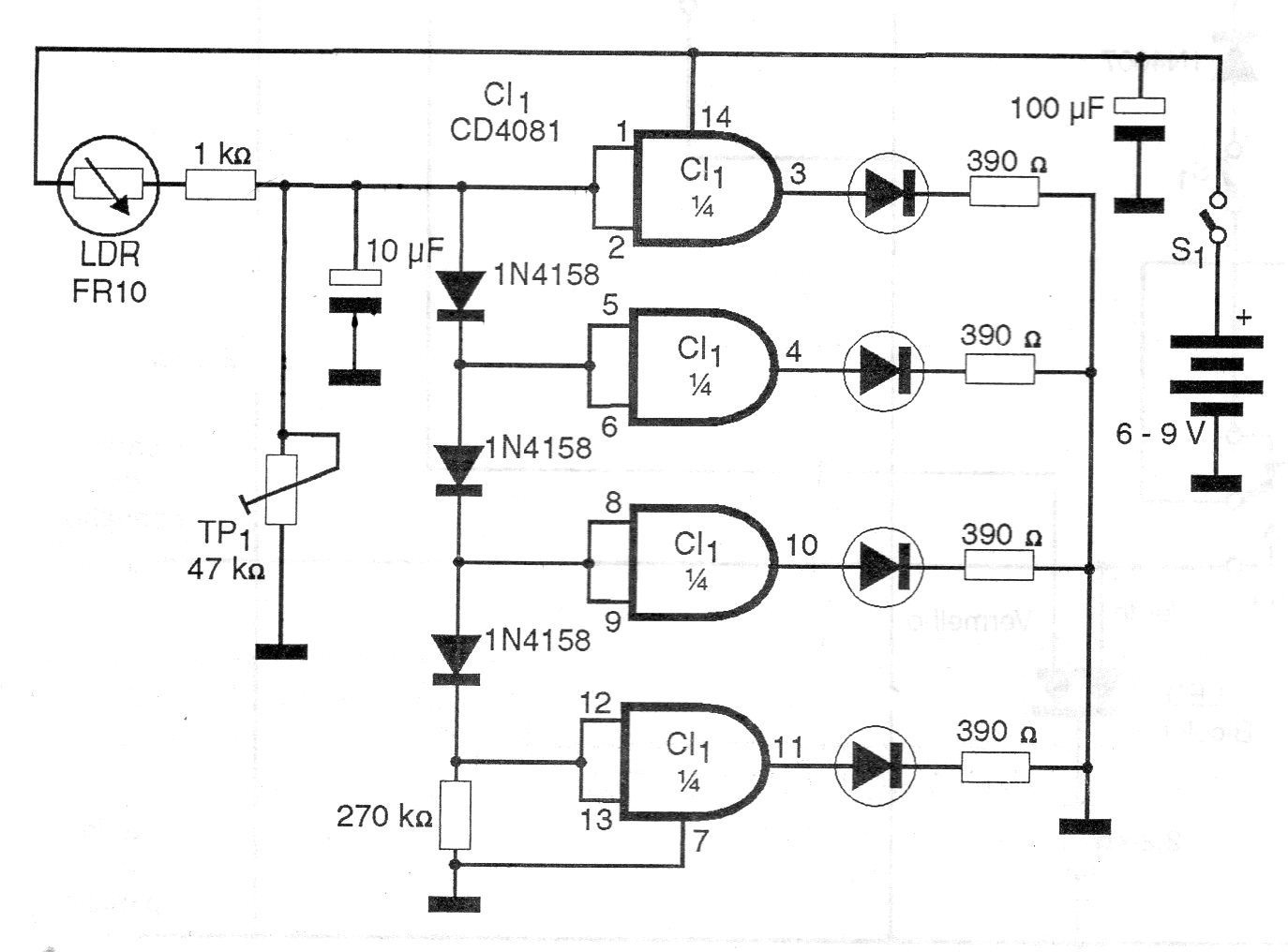
This photometer with bargraph indication by LEDs was obtained in a publication in 1997. The sensor is a common LDR and the sensitivity that determines the scale is adjusted in the trimpot. The circuit can be powered by 4 batteries or a 9 V battery.
This photometer with bargraph indication by LEDs was obtained in a publication in 1997. The sensor is a common LDR and the sensitivity that determines the scale is adjusted in the trimpot. The circuit can be powered by 4 batteries or a 9 V battery.