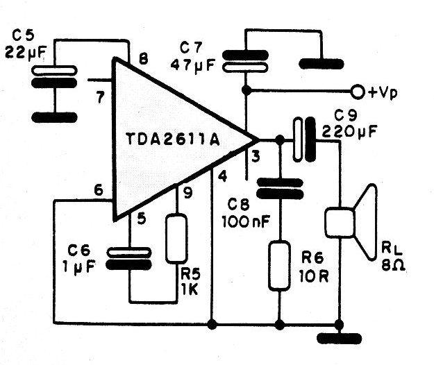
This integrated circuit is ideal for the design of low-cost turntable with ceramic capsules, in view of its high input impedance that can be adjusted to values up to 2M ohms. It can operate with voltages between 6 and 35 V and is presented in a 9-pin SIL enclosure. Among the advantages presented by this integrated we highlight:
- Possibility to increase the input impedance from 45 k ohms to 2 M ohms at 1 kHz.
- Internal thermal protection
- Few external components are needed.
- Well-defined gain without feedback with simple adjustment of the quiescent current.
- Gain with fixed feedback at 38 dB (18 V supply with 8 ohms load).




