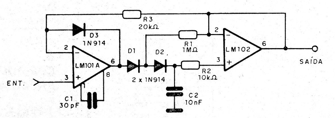
The base of this circuit consists of two operational amplifiers of the type LMI101A. The first circuit works as a half-wave rectifier, while the second circuit works as an amplifier whose gain is given by R7 and R3 basically. The C3 capacitor is used in cases where it is desired to make the circuit operation fast, without the need for filters. Note that precision resistors are needed.




