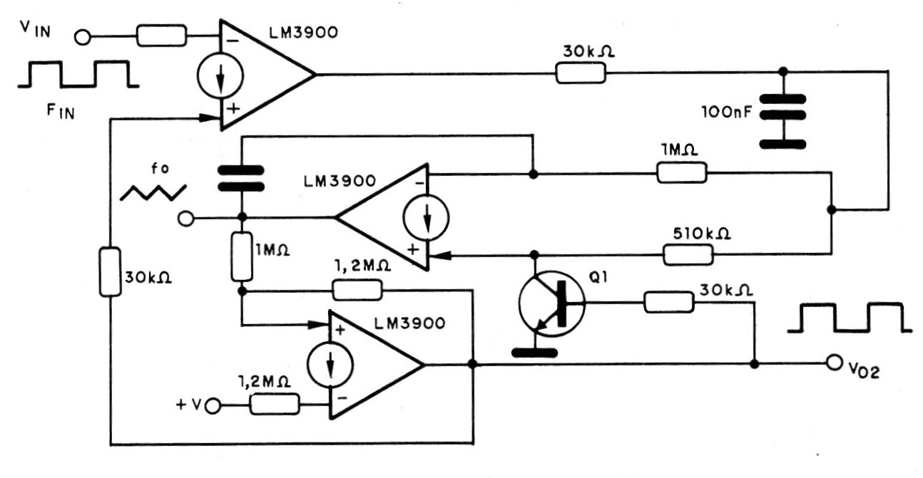
A Phase-Locked Loop circuit with three of the four Norton amplifiers available on the LM3900 is shown in the figure. This circuit has a central frequency of approximately 3 Hz. The fourth amplifier available in the integrated, can be used to increase the signal recognition range.




