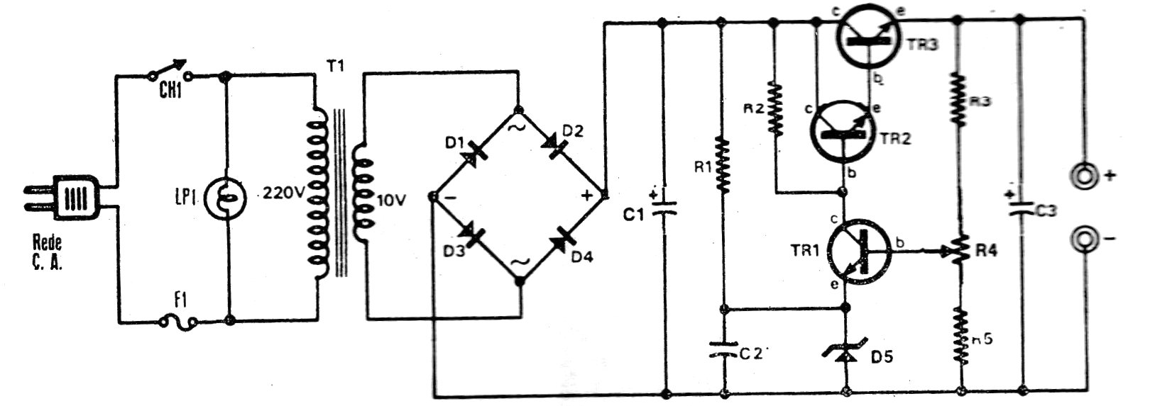
This power supply, found in a publication from the 70s, provides voltages from 4.5 to 9 V with a maximum current of 1 A. TR3 must be mounted in a good heat radiator and many of the components can be exchanged for modern equivalents.
This power supply, found in a publication from the 70s, provides voltages from 4.5 to 9 V with a maximum current of 1 A. TR3 must be mounted in a good heat radiator and many of the components can be exchanged for modern equivalents.