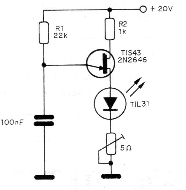
This circuit is suggested by Texas Instruments and is based on a relaxation oscillator with unijunction transistor. The peak current on the LED is 1 ampere, like producing 2 microsecond pulses at a frequency of 330 Hz. For a wider range of frequency adjustment, the 22k resistor can be replaced by a 10k resistor in series with a 100k trimpot or pot. The peak intensity of the pulse produced can also be modified by changing the capacitor. The trimpot next to the LED adjusts the current peak.




