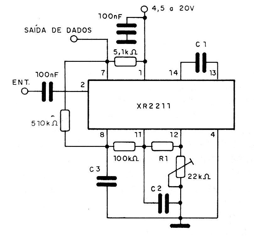
The integrated PLL XFl2211 (Exxar) is used to decode data transmitted by tones R1, C1, C2 and C3 depending on the frequencies of the tones and the transmission speed according to the table:
The integrated PLL XFl2211 (Exxar) is used to decode data transmitted by tones R1, C1, C2 and C3 depending on the frequencies of the tones and the transmission speed according to the table: