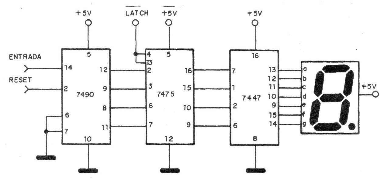
The circuit shown in the figure opposite, operates with 7-segment common anode displays, requiring in this case 330-ohm current limiting resistors for each segment. For filament indicators, (old Numitron types) resistors are not required. To stop the count, freezing the counted value until the considered time, but without stopping the 7490's operation, the input with Iatch must be brought to the low level (LO). The circuit must be powered with a voltage of 5 V.




