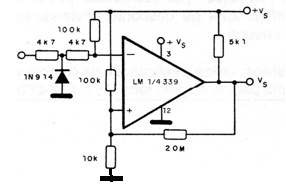
This circuit can be used as a basis for a power control where the comparator directly excites the gate of an SCR or Triac. The base of the circuit is 1/4 of a voltage comparator that can be either the LM339 or others of the same series as the LM139 and 239 or the CA139, 239 and 339.




