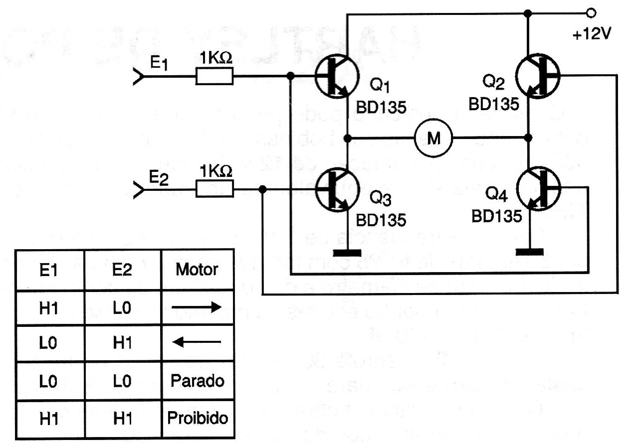
A motor of up to 500 mA can be controlled by the logic levels applied to the inputs of this circuit, according to the table given next to the diagram. For higher currents, transistors such as TlP31 or even TIP41, and even Power-FETs can be used. The transistors must be equipped with heat radiators and the circuit works with voltages from 6 to 12 V. The input is compatible with TTL and CMOS logic. The circuit can be used as a shield for microcontrollers.




