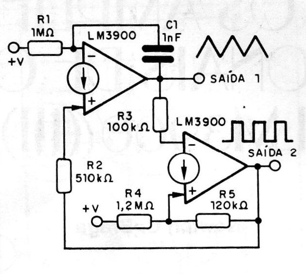
To obtain triangular signals, we have the circuit in the figure that uses two amplifiers. One of the amplifiers generates the rectangular signal and the other integrates it, thus obtaining the desired triangular signal.

To obtain triangular signals, we have the circuit in the figure that uses two amplifiers. One of the amplifiers generates the rectangular signal and the other integrates it, thus obtaining the desired triangular signal.
