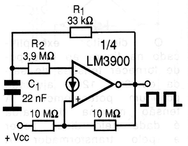
One of the LM3900's four Norton operational amplifiers is used in this oscillator, which has an active cycle of 50%. The frequency is of the order of 1 kHz and can be changed by changing C1 or R1 and R2. The power supply must be symmetrical, and the output signal has a rectangular waveform.




