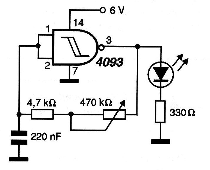
This simple circuit makes it possible to test visual fatigue by the ability to detect higher frequencies. Studies reveal that after watching a lot of TV or being exposed to excessive lighting, the eyes reduce their ability to detect variations in light at higher frequencies. Thus, what this circuit does is to generate signals in the range of 10 to 100 Hz to verify the frequency with which a person can detect the blinking (note that the LED is blinking and not lit continuously). The circuit must have the potentiometer calibrated according to the indications given by a frequency meter and then used in the tests.




