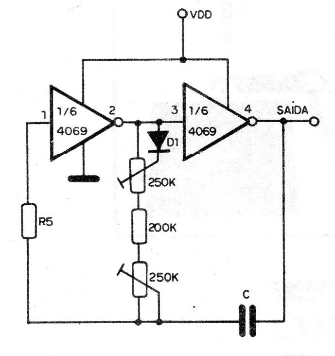
Two inverters of an integrated 4093 form this oscillator, in which the active cycle can be adjusted. The components Rs and C determine the operating frequency of the oscillator. The active cycle is controlled by diode D1, which determines the capacitor discharge. The additional 250 k trimpot is used to compensate for the frequency variations that occur with the change in the active cycle.




