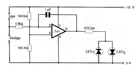
This circuit is based on the bistable configuration, but with the difference that the values of the components are changed to allow triggering from the touch of the fingers on two sensors. Two LEDs are used in opposition if the circuit is presented for teaching purposes. Touching one of the sensors, one of the LEDs lights up and the other goes out. With the touch of the other sensor, the LED that was on goes out and the one that was off lights up. In the figure we have the complete diagram of this touch switch. Note that the use of a divider network with two resistors for the reference voltage eliminates the need for a symmetrical source. In this circuit, we can also use a drive stage for higher power loads, such as a relay.




