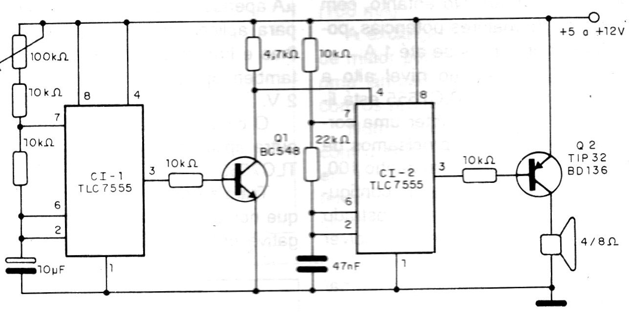
The figure circuit is a modulated tone generator, with the effect of interval beeps. The frequency of the beeps is given by the resistors of 10 k ohms, P1 and by the electrolytic capacitor of 10 uF, which can be changed according to the effect that the reader desires. In this circuit, the load, a small speaker, is excited by a transistor, however, we can have the direct excitation of a ceramic transducer, as suggested in previous projects. Note that resistors R1 and R2 of the slow oscillator will determine the intervals and duration of the beeps. For the indicated version, as the beeps are of short duration, the power consumption is very low, even when we excite a small speaker. The modulation of the previous circuit is done to interrupt the sound, which characterizes the b¡p.




