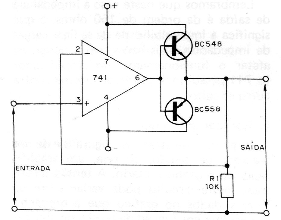
In the figure we have an application in which the input and output voltage are equal, with the difference that the output impedance is reduced to the point where we can have a high current in the load circuit. This current is much higher than that which could be obtained from a simple operational amplifier since its output impedance is in the order of 150 ohms. The output voltage can then vary from -8 to +8 V, following variations in the input voltage with a maximum current of 50 mA. It is important to note that, as the voltage at which the transistors begin to conduct is approximately 0.6 V, in the range from zero to this value, the circuit has a certain hysteresis, that is, there is a deformation of the signal form obtained at the output in relation to the input signal. This fact is important to note if the circuit operates with alternating current signals. The transistors used must have the same characteristics and are, however, complementary.




