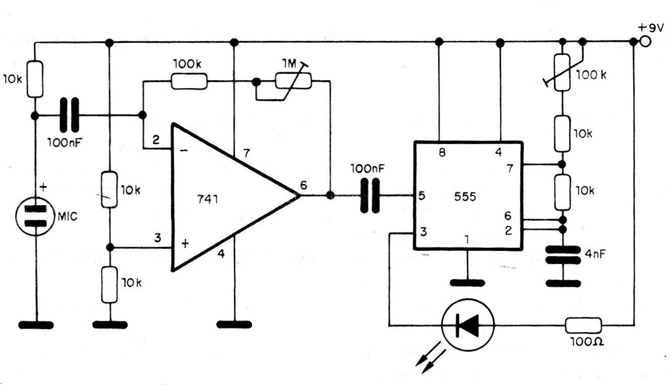
In the figure we have the circuit of a pulse transmitter modulated in frequency (PFM) in the range of 20 to 50 kHz and that serves as an audio link. The 100 ohms resistor in series with the LED can be reduced for greater power depending on the type of emitter used. The transmitter does not need a symmetrical source and the gain in modulation (depth) is adjusted in the 100k trimpot. The transmitter must be chosen according to the designed transmission system.




