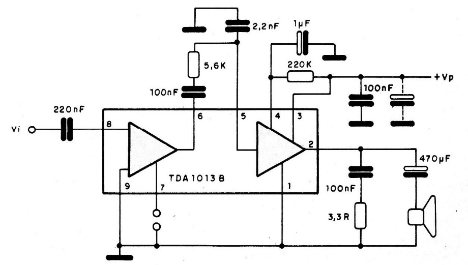
This audio amplifier has an internal DC volume control with logarithmic characteristics and a control in a range of more than 80 dB. Its very wide supply voltage range (10 V to 40 V) makes it ideal for the design of equipment powered by the local network such as televisions and sound equipment. It is presented in a 9-pin SIL enclosure. Among the advantages presented by this integrated we have:
- Separate amplifier and preamplifier.
- Incorporates a DC volume control with a control range greater than 80 dB (control voltage between 2 V and 6 V
- Gain without well-defined feedback and fixed gain with 38 dB feedback (18 V supply, 8 ohms load).
- Simple and low-cost radiator for installation
- Does not produce clicks when turned on or off.
- The noise level decreases with the volume
For a total distortion of 10% the output power is 4.3 W at 8 ohms load with 18 V power supply.




