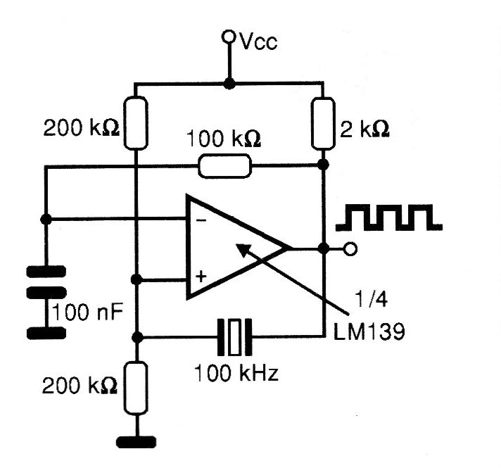
A quarter of a National Semiconductor LM139 or equivalent voltage comparator is used in this oscillator that generates a 100 kHz rectangular signal controlled by a quartz crystal. The circuit needs a symmetrical power source, and the other components are not critical.




