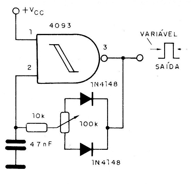
The oscillator shown in the figure keeps its frequency constant in an active cycle adjustment range between close to 0 and 100%. For the components indicated, the circuit will operate in the audio range, around 10 kHz approximately. The capacitor can be changed in the range from 1 nF to 1 pF to obtain other operating frequencies. The exchange of the 1ok resistor for a 100k potentiometer in series with a 4k7 resistor allows the simultaneous adjustment of the frequency, but the active cycle range will be modified.




