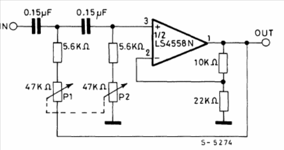
The LS4558 integrated circuit is a double 741. The filter response curve is given next to the diagram. Capacitors can be changed for operation at other frequencies. The power supply must be symmetrical from 6 to 15 V. The circuit is from the 1982 SGS linear integrated circuits manual.





