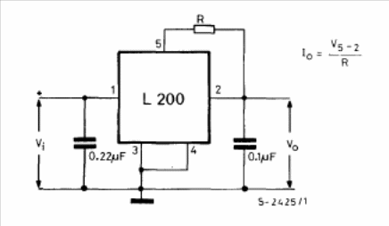
This circuit was found in the SGS manual of linear integrated circuits of 1982. The integrated circuit used is uncommon today and must be equipped with a heat radiator in the assembly.

This circuit was found in the SGS manual of linear integrated circuits of 1982. The integrated circuit used is uncommon today and must be equipped with a heat radiator in the assembly.
