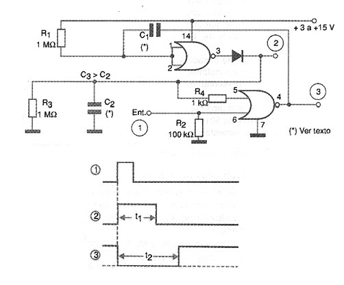
In the figure we have a circuit that fires from a positive pulse of short duration applied to its input. The waveforms obtained in this circuit, determined by capacitors C1 and C2 are shown in the same figure. Note that the transition of the outputs already occurs on the positive edge of the input signal.




