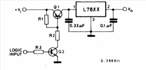
This circuit is from the SGS manual of linear integrated circuits of 1982. The L78xx is equivalent to the SGS for the common 78xx where the xx determines the output voltage. Transistor Q1 can be a TIP32 and Q2 can be a BC548. The circuit can be controlled by CMOS or TTL logic with R3 of 1k. R1 can be 470 ohms and R2 220 220. The circuit can be used as a shield for microcontrollers.




