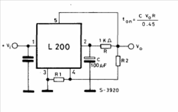
This circuit was found in the SGS manual for linear integrated circuits of 1982. The capacitor determines the rate at which the output voltage rises until it reaches the nominal value determined by R1 and R2.

This circuit was found in the SGS manual for linear integrated circuits of 1982. The capacitor determines the rate at which the output voltage rises until it reaches the nominal value determined by R1 and R2.
