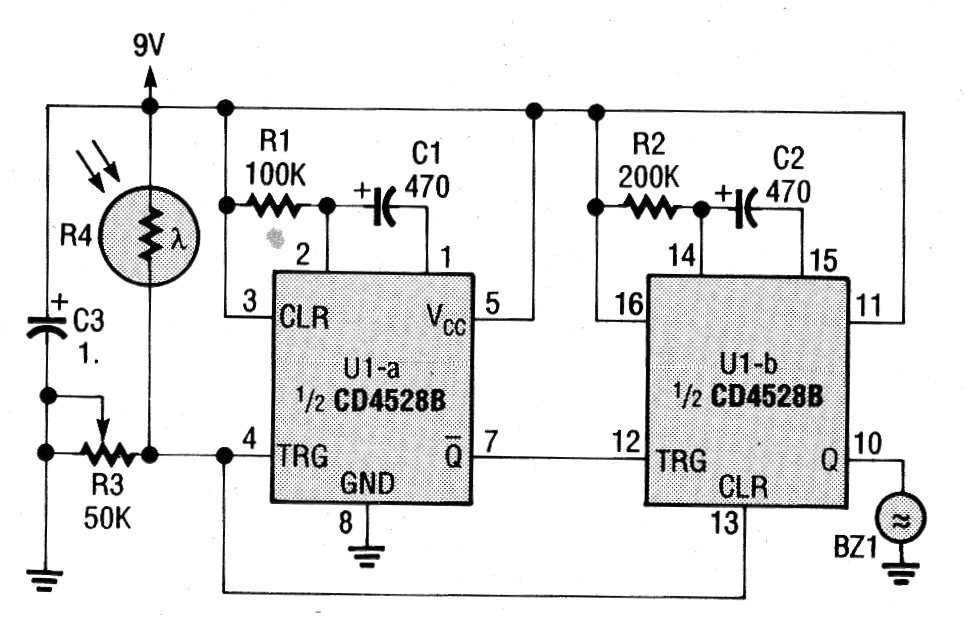
This circuit triggers a low consumption buzzer when the LDR remains illuminated for more than the time given by R1 and C2. The circuit uses an LDR as a sensor and its sensitivity is set to R3. We found this configuration, which serves as a refrigerator alarm in a 1992 Poptronics.




