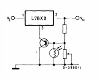
In this circuit the output voltage depends on the light that falls on the LDR, decreasing when the light increases. The circuit is from the 1982 SGS linear integrated circuit manual. R1 can be 220 ohms and the trimpot 4k7. The transistor can be the BC558.




