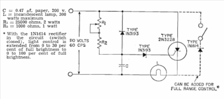
This traditional dimmer configuration for incandescent lamps and heating elements was found in an RCA transistor manual. SCR can be a more modern equivalent like TIC106, depending on the power grid.
September 2016 - can be purchased from Mouser Electronics the new transceivers MAX348x and MAX349x from...
This circuit was found in a 1978 English magazine. It is a configuration that aims to select the...
This simple rhythmic light for incandescent lamps can be found in old English documentation. The...