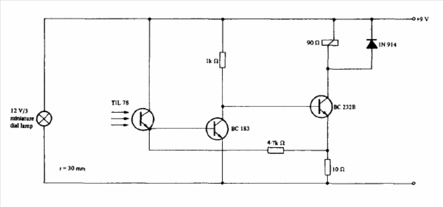
The selected circuit was obtained in a Texas Instruments opto-electronics manual. The transistors can be the BC548 and to activate the relay a higher current transistor can be used. The voltage can be changed according to the relay.
The selected circuit was obtained in a Texas Instruments opto-electronics manual. The transistors can be the BC548 and to activate the relay a higher current transistor can be used. The voltage can be changed according to the relay.