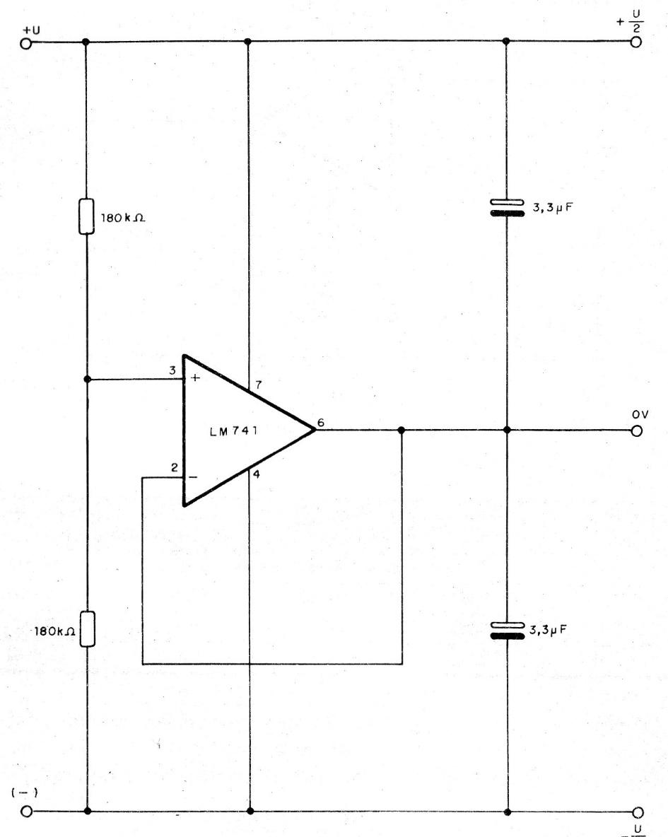
This circuit divides the voltage of a 6 to 15 V source by 2 in order to obtain a symmetrical source. The maximum current is in the order of 20 mA. Operational equivalents can be used. The circuit is from a 1993 publication.
This circuit divides the voltage of a 6 to 15 V source by 2 in order to obtain a symmetrical source. The maximum current is in the order of 20 mA. Operational equivalents can be used. The circuit is from a 1993 publication.