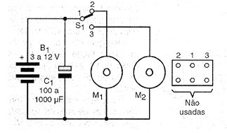
Two motors can be activated alternately with the circuit in the figure. With the key in position 2 the M1 motor is activated and with the key in position 3 it is the M2 motor that is activated. The 1-pole x 2-position wrench can be obtained from disused devices or an HH wrench can also be used. In the case of the HH key, we only use half as shown in the figure. This circuit combined with the figure CIR7907 allows the control of two motors with rotation in both directions, that is, we can make any of the motors run in the desired direction whenever we want.




