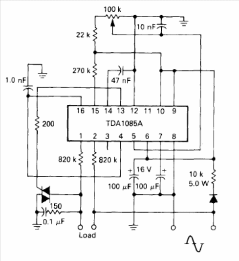
This circuit is from the Motorola Linear Databook of 1990. The circuit controls a Triac from a dedicated integrated circuit. The component is not very common today.

This circuit is from the Motorola Linear Databook of 1990. The circuit controls a Triac from a dedicated integrated circuit. The component is not very common today.
